使用环境温度:-40°C~+85°C
工作电压:12VDC/24VDC
工作方式:连续
质量:1.8Kg
噪声:76dB(A)
性能特点:
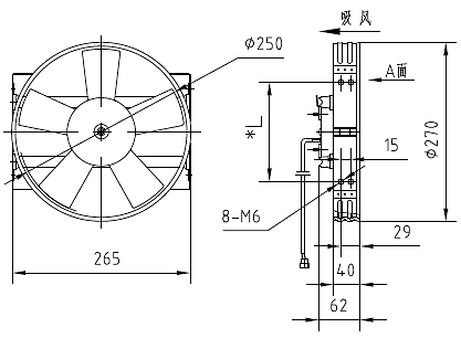
本风机为轴流式风机,具有结构简单、工作可靠、效率高等特点,现与IVECO车型配套。
| LNF232501X | |||||||||||
| 静压(Pa) | 0 | 25 | 50 | 60 | 70 | 80 | 90 | 100 | 125 | 150 | 175 |
| 风量(m3/h) | 1448 | 1260 | 1106 | 1010 | 911 | 728 | 609 | 539 | 400 | 298 | 160 |
| 电流(A) | 2.9 | 3.0 | 3.0 | 3.0 | 3.0 | 3.0 | 3.1 | 3.3 | 3.4 | 3.5 | 3.6 |
| 试验电压 | 27VDC(温度25℃) | ||||||||||
| LNF132501X | ||||||||||
| 静压(Pa) | 0 | 20 | 30 | 50 | 60 | 70 | 80 | 100 | 125 | 150 |
| 风量(m3/h) | 1493 | 1387 | 1305 | 1175 | 1096 | 1006 | 895 | 579 | 449 | 308 |
| 电流(A) | 6.4 | 6.3 | 6.6 | 6.6 | 6.6 | 6.6 | 6.7 | 6.8 | 7.1 | 7.4 |
| 试验电压 | 13.5VDC(温度25℃) | |||||||||


